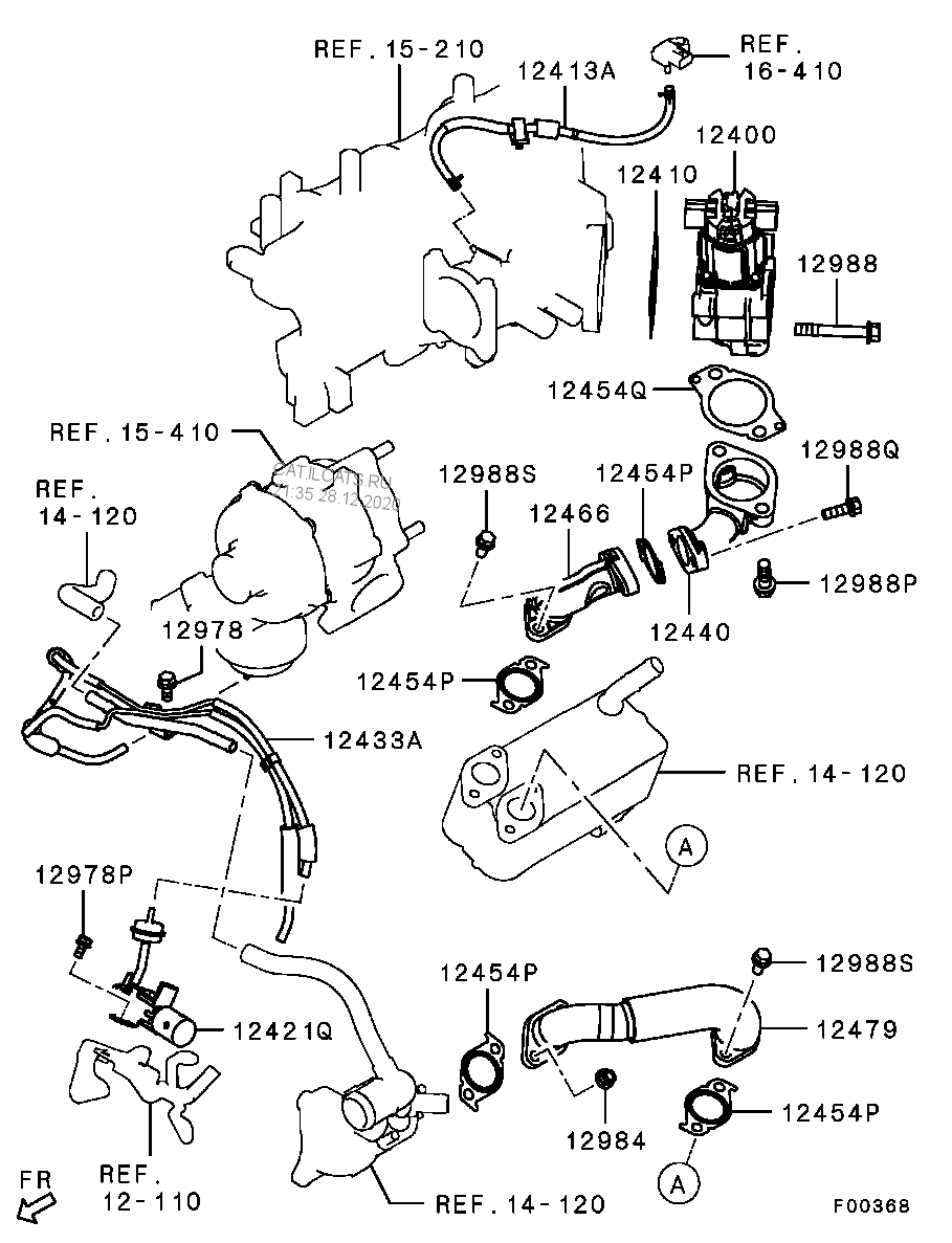
Mitsubishi L200 Vacuum Pipes Diagram . View and download mitsubishi motors l200 1996 workshop manual online. How can i find the correct fitting of vacuum pipes following engine rebuild? Anybody help with vac pipe layout/plumbing diagram for 03 l200? Check the connection condition of the vacuum hoses, (removed, loose, etc.) and check to be sure that there are no bends or damage. Mitsubishi l200 pdf service and repair manuals. Unfortunately i do not have great diagrams for this particular. Vacuum hoses to the vacuum pipe assembly, so that colour mark (yellow or blue) of the vacuum pipe assembly will match colour stripe (yellow or blue) at the vacuum hose. Mitsubishi l200 is a pickup truck manufactured. If you've already blanked the egr then as billy said just remove it completely and blank the vacuum pipe that feeds it, and that. L200 1996 automobile pdf manual download. Need full routing as got no vac at turbo actuator…yes it’s.
from www.pinterest.pt
View and download mitsubishi motors l200 1996 workshop manual online. Mitsubishi l200 is a pickup truck manufactured. Need full routing as got no vac at turbo actuator…yes it’s. Check the connection condition of the vacuum hoses, (removed, loose, etc.) and check to be sure that there are no bends or damage. Unfortunately i do not have great diagrams for this particular. Mitsubishi l200 pdf service and repair manuals. L200 1996 automobile pdf manual download. How can i find the correct fitting of vacuum pipes following engine rebuild? Vacuum hoses to the vacuum pipe assembly, so that colour mark (yellow or blue) of the vacuum pipe assembly will match colour stripe (yellow or blue) at the vacuum hose. If you've already blanked the egr then as billy said just remove it completely and blank the vacuum pipe that feeds it, and that.
Mitsubishi L200 PDF Service, and Repair manuals, Wiring
Mitsubishi L200 Vacuum Pipes Diagram Unfortunately i do not have great diagrams for this particular. Vacuum hoses to the vacuum pipe assembly, so that colour mark (yellow or blue) of the vacuum pipe assembly will match colour stripe (yellow or blue) at the vacuum hose. L200 1996 automobile pdf manual download. How can i find the correct fitting of vacuum pipes following engine rebuild? Mitsubishi l200 is a pickup truck manufactured. Check the connection condition of the vacuum hoses, (removed, loose, etc.) and check to be sure that there are no bends or damage. Need full routing as got no vac at turbo actuator…yes it’s. Anybody help with vac pipe layout/plumbing diagram for 03 l200? Mitsubishi l200 pdf service and repair manuals. View and download mitsubishi motors l200 1996 workshop manual online. Unfortunately i do not have great diagrams for this particular. If you've already blanked the egr then as billy said just remove it completely and blank the vacuum pipe that feeds it, and that.
From www.megazip.ru
Масляный радиатор АКПП и патрубки для Mitsubishi L200/TRITON/SPORTERO Mitsubishi L200 Vacuum Pipes Diagram Check the connection condition of the vacuum hoses, (removed, loose, etc.) and check to be sure that there are no bends or damage. View and download mitsubishi motors l200 1996 workshop manual online. Anybody help with vac pipe layout/plumbing diagram for 03 l200? How can i find the correct fitting of vacuum pipes following engine rebuild? Mitsubishi l200 pdf service. Mitsubishi L200 Vacuum Pipes Diagram.
From www.autozone.com
Repair Guides Vacuum Diagrams Vacuum Diagrams Mitsubishi L200 Vacuum Pipes Diagram Anybody help with vac pipe layout/plumbing diagram for 03 l200? Need full routing as got no vac at turbo actuator…yes it’s. View and download mitsubishi motors l200 1996 workshop manual online. Mitsubishi l200 is a pickup truck manufactured. L200 1996 automobile pdf manual download. Unfortunately i do not have great diagrams for this particular. Mitsubishi l200 pdf service and repair. Mitsubishi L200 Vacuum Pipes Diagram.
From forums.tdiclub.com
2005 Jetta PD Vacuum Diagram Forums Mitsubishi L200 Vacuum Pipes Diagram Unfortunately i do not have great diagrams for this particular. Check the connection condition of the vacuum hoses, (removed, loose, etc.) and check to be sure that there are no bends or damage. View and download mitsubishi motors l200 1996 workshop manual online. Anybody help with vac pipe layout/plumbing diagram for 03 l200? Need full routing as got no vac. Mitsubishi L200 Vacuum Pipes Diagram.
From www.ebay.com
MITSUBISHI L200 2.5 DID Vacuum Pipes / Pipe Emission Control Pipe P/N Mitsubishi L200 Vacuum Pipes Diagram Anybody help with vac pipe layout/plumbing diagram for 03 l200? View and download mitsubishi motors l200 1996 workshop manual online. Mitsubishi l200 pdf service and repair manuals. Mitsubishi l200 is a pickup truck manufactured. If you've already blanked the egr then as billy said just remove it completely and blank the vacuum pipe that feeds it, and that. Vacuum hoses. Mitsubishi L200 Vacuum Pipes Diagram.
From zinref.ru
Mitsubishi L200. Manual part 30 Mitsubishi L200 Vacuum Pipes Diagram Anybody help with vac pipe layout/plumbing diagram for 03 l200? Vacuum hoses to the vacuum pipe assembly, so that colour mark (yellow or blue) of the vacuum pipe assembly will match colour stripe (yellow or blue) at the vacuum hose. Mitsubishi l200 pdf service and repair manuals. L200 1996 automobile pdf manual download. Unfortunately i do not have great diagrams. Mitsubishi L200 Vacuum Pipes Diagram.
From www.milneroffroad.com
Exhaust Pipes & Components for MITSUBISHI L200 2.5L Diesel Pickup 1 Mitsubishi L200 Vacuum Pipes Diagram View and download mitsubishi motors l200 1996 workshop manual online. Mitsubishi l200 pdf service and repair manuals. Check the connection condition of the vacuum hoses, (removed, loose, etc.) and check to be sure that there are no bends or damage. L200 1996 automobile pdf manual download. Mitsubishi l200 is a pickup truck manufactured. Anybody help with vac pipe layout/plumbing diagram. Mitsubishi L200 Vacuum Pipes Diagram.
From www.ebay.com
MITSUBISHI L200 2.5 DID Vacuum Pipes / Pipe Emission Control Pipe P/N Mitsubishi L200 Vacuum Pipes Diagram Anybody help with vac pipe layout/plumbing diagram for 03 l200? How can i find the correct fitting of vacuum pipes following engine rebuild? View and download mitsubishi motors l200 1996 workshop manual online. Unfortunately i do not have great diagrams for this particular. Need full routing as got no vac at turbo actuator…yes it’s. Check the connection condition of the. Mitsubishi L200 Vacuum Pipes Diagram.
From www.milneroffroad.com
Stack Pipes / Sender Units & Components for MITSUBISHI L200 2.5L Diesel Mitsubishi L200 Vacuum Pipes Diagram L200 1996 automobile pdf manual download. View and download mitsubishi motors l200 1996 workshop manual online. Vacuum hoses to the vacuum pipe assembly, so that colour mark (yellow or blue) of the vacuum pipe assembly will match colour stripe (yellow or blue) at the vacuum hose. How can i find the correct fitting of vacuum pipes following engine rebuild? Mitsubishi. Mitsubishi L200 Vacuum Pipes Diagram.
From www.milneroffroad.com
Exhaust Pipes & Components for MITSUBISHI L200 2.5L Diesel Pickup Mitsubishi L200 Vacuum Pipes Diagram Check the connection condition of the vacuum hoses, (removed, loose, etc.) and check to be sure that there are no bends or damage. Unfortunately i do not have great diagrams for this particular. View and download mitsubishi motors l200 1996 workshop manual online. How can i find the correct fitting of vacuum pipes following engine rebuild? L200 1996 automobile pdf. Mitsubishi L200 Vacuum Pipes Diagram.
From zinref.ru
Mitsubishi L200. Manual part 233 Mitsubishi L200 Vacuum Pipes Diagram Check the connection condition of the vacuum hoses, (removed, loose, etc.) and check to be sure that there are no bends or damage. View and download mitsubishi motors l200 1996 workshop manual online. Mitsubishi l200 pdf service and repair manuals. Unfortunately i do not have great diagrams for this particular. L200 1996 automobile pdf manual download. If you've already blanked. Mitsubishi L200 Vacuum Pipes Diagram.
From guidewiringschwab.z13.web.core.windows.net
Mitsubishi Wiring Diagram L200 Mitsubishi L200 Vacuum Pipes Diagram View and download mitsubishi motors l200 1996 workshop manual online. Need full routing as got no vac at turbo actuator…yes it’s. Unfortunately i do not have great diagrams for this particular. How can i find the correct fitting of vacuum pipes following engine rebuild? Mitsubishi l200 is a pickup truck manufactured. Anybody help with vac pipe layout/plumbing diagram for 03. Mitsubishi L200 Vacuum Pipes Diagram.
From www.justanswer.com
Mitsubishi L200 Engine Diagram Q&A on Vacuum Hose Routing & Head Mitsubishi L200 Vacuum Pipes Diagram How can i find the correct fitting of vacuum pipes following engine rebuild? Mitsubishi l200 pdf service and repair manuals. If you've already blanked the egr then as billy said just remove it completely and blank the vacuum pipe that feeds it, and that. Need full routing as got no vac at turbo actuator…yes it’s. L200 1996 automobile pdf manual. Mitsubishi L200 Vacuum Pipes Diagram.
From www.justanswer.com
Mitsubishi L200 Q&A Rear Axle Diagram, OffRoading, Diff Locks Mitsubishi L200 Vacuum Pipes Diagram Anybody help with vac pipe layout/plumbing diagram for 03 l200? Mitsubishi l200 pdf service and repair manuals. If you've already blanked the egr then as billy said just remove it completely and blank the vacuum pipe that feeds it, and that. Mitsubishi l200 is a pickup truck manufactured. Check the connection condition of the vacuum hoses, (removed, loose, etc.) and. Mitsubishi L200 Vacuum Pipes Diagram.
From engine-diagram.netlify.app
Mitsubishi Pajero Vacuum Hose Diagram Mitsubishi L200 Vacuum Pipes Diagram If you've already blanked the egr then as billy said just remove it completely and blank the vacuum pipe that feeds it, and that. L200 1996 automobile pdf manual download. Need full routing as got no vac at turbo actuator…yes it’s. Mitsubishi l200 pdf service and repair manuals. How can i find the correct fitting of vacuum pipes following engine. Mitsubishi L200 Vacuum Pipes Diagram.
From wiringparthampton.z13.web.core.windows.net
Mitsubishi L200 Vacuum Hose Diagram Mitsubishi L200 Vacuum Pipes Diagram L200 1996 automobile pdf manual download. If you've already blanked the egr then as billy said just remove it completely and blank the vacuum pipe that feeds it, and that. Vacuum hoses to the vacuum pipe assembly, so that colour mark (yellow or blue) of the vacuum pipe assembly will match colour stripe (yellow or blue) at the vacuum hose.. Mitsubishi L200 Vacuum Pipes Diagram.
From gbu-hamovniki.ru
HOW TO VACUUM OPERATED 4WD 4X4 SYSTEM SOLENOID TUBES HOSES, 41 OFF Mitsubishi L200 Vacuum Pipes Diagram If you've already blanked the egr then as billy said just remove it completely and blank the vacuum pipe that feeds it, and that. L200 1996 automobile pdf manual download. Check the connection condition of the vacuum hoses, (removed, loose, etc.) and check to be sure that there are no bends or damage. Unfortunately i do not have great diagrams. Mitsubishi L200 Vacuum Pipes Diagram.
From www.justanswer.com
How can i find the correct fitting of vacuum pipes following engine Mitsubishi L200 Vacuum Pipes Diagram Check the connection condition of the vacuum hoses, (removed, loose, etc.) and check to be sure that there are no bends or damage. View and download mitsubishi motors l200 1996 workshop manual online. If you've already blanked the egr then as billy said just remove it completely and blank the vacuum pipe that feeds it, and that. How can i. Mitsubishi L200 Vacuum Pipes Diagram.
From ubicaciondepersonas.cdmx.gob.mx
4d56 Engine Diagram ubicaciondepersonas.cdmx.gob.mx Mitsubishi L200 Vacuum Pipes Diagram If you've already blanked the egr then as billy said just remove it completely and blank the vacuum pipe that feeds it, and that. Anybody help with vac pipe layout/plumbing diagram for 03 l200? How can i find the correct fitting of vacuum pipes following engine rebuild? Vacuum hoses to the vacuum pipe assembly, so that colour mark (yellow or. Mitsubishi L200 Vacuum Pipes Diagram.